产品中心
product center
HGAS-OCF在线壁挂式防爆氧分析仪
HGAS-OCF在线式防爆微量氧分析仪广泛应用于化工流程、空分、制氢、石油、水泥、冶金、钢铁、电子行业保护气体及危险场合混合气体中的微量氧气在线分析
① 测量范围
② 被测气体温度、压力
③ 背景气体组份
-
仪器特点
◆LCD显示,显示直观,操作简单方便;
◆采用原装进口燃料电池传感器,具有响应速度 快、测量精度高、线性好、校准周期长、抗弱 酸 、 抗 弱 碱 的 特 点 ;
◆在 防 爆 场 合 , 可 通 过 隔 离 式 磁 性 笔 完 成 菜 单 的 设置,便于现场的操作;
◆自动温度补偿功能,降低温度变化对测量带来 的误差;
◆仪表支持多点分段线性标定,满足全量程范围 的氧浓度准确测量;
◆温度和压力补偿功能,消除温度和压力对测量 精度的影响;
◆防爆等级Exd IIC T6 Gb
技术参数
测量原理:燃料电池
显示方式:128×64点阵LCD
测量范围:0~5%~25% O2
测量精度:≤±1%FS
重复性:≤±1.0%FS
响应时间:Tgo≤10S
输出接口:4-20mA.DC(非隔离输出,负载电阻<1KΩ)
2路可编程干触点型无源报警输出,触点最大容量 AC220V/2A
工作电源: DC24V±10%,200mA
环境温度: -10℃~+50℃
储存环境湿度:<90%RH,非冷凝
工作环境湿度:<100%RH,非冷凝
样气温度:0℃~40℃
采样方式:通入式
样气压力:稳压气氛(将压力控制在规定范围内,确保能够提 供400~600mL/min流量即可)
排气压力:自由排空(安全条件下)
样气组份:无强腐蚀性气体
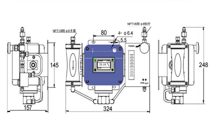
规格尺寸: 206mm×180mm×138mm(H×W×D)
传感器寿命:>36个月(正常使用条件下)
防爆等级: Exd IIC T6 Gb
仪表重量:净重6.1Kg
安装方式:壁挂式
-
HGAS-OCF在线式防爆微量氧分析仪广泛应用于化工流程、空分、制氢、石油、水泥、冶金、钢铁、电子行业保护气体及危险场合混合气体中的微量氧气在线分析
-
① 测量范围
② 被测气体温度、压力
③ 背景气体组份







